
Guia Inversor
Entre com os dados do Inversor
que o software dimensiona!
Facilitando a vida do Projetista.

Guia Conversor
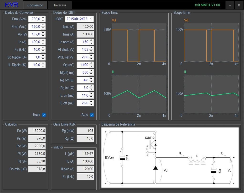
Usado para controlar o barramento CC do Inversor, carregar a bateria e/ou controlar tensão de consumidores CC, o conversor buck oferece um reduzido tempo de resposta a degraus de carga melhorando consideravelmente a dinâmica do barramento.
Com essa guia, além de visualizar as principais formas de onda, se torna mais fácil o trabalho do projetista.
Cálculos somente em modo contínuo.

Sobre, Referências, ChangeLog e Agradecimentos.
Software livre, exclusivo para clientes, em constante evolução!
Breve mais guias de cálculos.
Copyright © 2025 KvR Elektronik – Todos os direitos reservados.
Powered by rkklumppjr
Usamos cookies para analisar o tráfego do site e otimizar sua experiência nele. Ao aceitar nosso uso de cookies, seus dados serão agregados com os dados de todos os demais usuários.